Zapytaj o produkt
Administratorem danych osobowych jest QBA Sp. z o.o.. Przetwarzamy je w celu przesłania odpowiedzi na zapytanie. Więcej informacji dotyczących przetwarzania danych osobowych znajduje się w polityce prywatności.
Opis
Zabezpieczona rozdzielnica budowlana ECO-S/FI 32A 16A 2x230V gniazda Bals Doktorvolt®
⭐⭐⭐⭐⭐
➡️ Rozdzielnica elektryczna ECO-S/FI 32A 16A 2x230V Doktorvolt®, zalety:
✔️ Kompaktowa i zwarta obudowa wykonana z najlepszej jakości materiałów,
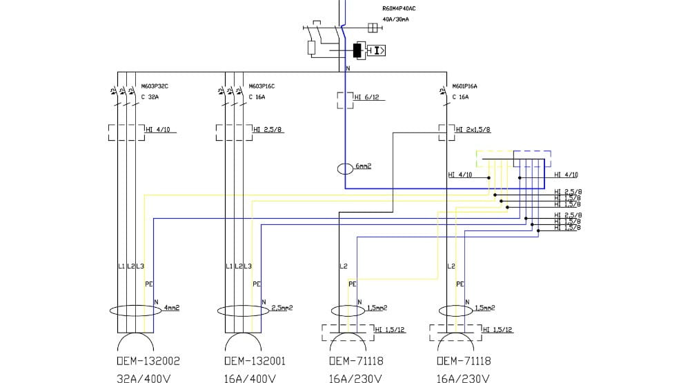
✔️ wyposażona w dwa gniazda 230 V 16 A oraz dwa gniazda siłowe 1x 400 V 32 A, 1x 400 V 16 A producenta Bals,
✔️ okablowanie i gniazda pochodzące od renomowanych producentów osprzętu elektrycznego,
✔️ klasa szczelności erbetki IP 44,
✔️ gotowa do podłączenia.
✔️ zabezpieczenie nadprądowe gniazd,
✔️ ochrona przed dotykiem pośrednim.
➡️ Rozdzielnica elektryczna ECO-S/FI 32A 16A 2x230V Doktorvolt®, zastosowanie:
✔️ Na placach i obszarach budów oraz podczas prac drogowych,
✔️ do zakładów przemysłowych,
✔️ w warsztatach i garażach, w których konieczne jest podłączenie urządzeń do gniazda siłowego,
✔️ podczas samodzielnej budowy domu,
✔️ do zasilania w energię elektryczną terenów zielonych i imprez masowych na świeżym powietrzu.
➡️ Prezentowana rozdzielnica budowlana wyposażona została w:
✔️ dwa gniazda 2x 230V 16A o klasie szczelności IP 54,
✔️ dwa gniazda siłowe 1x 400V 16A oraz 1x 400V 32 A o klasie szczelności IP 44,
✔️ zabezpieczenie nadprądowe gniazd 230V 1 x C16 1P 6kA,
✔️ zabezpieczenie nadprądowe gniazd siłowych 1 x C16 3P 6kA, 1x C32 3P 6kA,
✔️ zestaw śrub montażowych wraz z zaślepkami,
✔️ okablowanie,
✔️ wyłącznik różnicowoprądowy 40A 30mA 4P.
➡️ Firma Doktorvolt® w procesie produkcji rozdzielnic wdrożyła system zarządzania certyfikowany przez TÜV SÜD:
✔️ gwarancja wysokiej jakości,
✔️ transparentny przepływ informacji,
✔️ gwarancja w zakresie bezpieczeństwa,
✔️ zapewniona dobra obsługa klienta.

| Obudowa rozdzielnicy | |
| ilość modułów | 12 |
| ilość rzędów | 1 |
| montaż | natynkowy |
| stopień ochrony rozdzielnicy | IP44 |
| napięcie znamionowe obudowy | 1000V |
| wymiary obudowy z gniazdami | 360 x 260 x 165 mm |
| materiał obudowy | technopolimer |
| materiał drzwi | poliwęglan |
| kolor przedniej płyty obudowy | szary RAL 7035 |
| kolor tylnej płyty obudowy | czarny |
| materiał śrub | stal nierdzewna |
| materiał uszczelki | guma EPDM |
| dławnica PG dołączona w zestawie | 1x PG-16 |
| certyfikaty i normy | CE CEI-23-48/49 IEC 670 |
| Gniazda i aparatura modułowa | |
| ochrona przed dotykiem pośrednim | wyłącznik różnicowoprądowy 40A 30mA 4P Typ AC RCCB |
| gniazda siłowe | 32A 5P 400V IP44 Quick-Connect 132002 Bals 16A 5P 400V IP44 Quick-Connect 132001 Bals |
| zabezpieczenie nadprądowe gniazd siłowych | C32 3P 6kA C16 3P 6kA |
| gniazda 230V |
2 x 230V 16A Bals 71118 IP54 2P+E |
| zabezpieczenie nadprądowe gniazd 230V | 1 x C16 1P 6kA |
| szyna łączeniowa | 3F 10M 12mm2 |
| certyfikaty i normy wyłącznika różnicowoprądowego | CE, IEC61008 |
| certyfikaty i normy wyłączników nadprądowych | CE, IEC60898 |
| Okablowanie | |
| rodzaj okablowania | Linka ster. H07V-K 1,5, 2,5, 4 mm2 żółtoziel. Linka ster. H07V-K 1,5, 2,5, 4 mm2 czarna Linka ster. H07V-K 1,5, 2,5, 4, 6 mm2 niebieska |
| normy i certyfikaty | CPR RoHS CE |
| Informacje ogólne | |
| prąd znamionowy | 40 A |
| napięcie znamionowe | 230 / 400 V |
| ICC | ≤ 6 kA |
| RDF | 0,7 |
| Informacje producenta | |
| producent | Doktorvolt |
| certyfikaty i normy producenta | TÜV SÜD ISO 9001:2015 CE IEC 61439 |
| oznaczenie producenta | DV-2589-F |
| EAN | 5905669992589 |